Concrete Screw
VF is a concrete screw Ø7.5 mm for the assembly of window and door frame elements designed for fixings in various building materials.
Product Details
Features
Benefits
- Ideal for stand-off fixings
- Allows fixings near the edge
- Small hole diameter
- Prevents deformation of the frame
Application
Material
- Steel
- White zinc plated
Applications
- Window and door frames
- Wood profiles and battens
- Connectors
Suitable for
- Non-cracked concrete
- Solid brick
- Honeycomb brick (partially suitable)
- Aerated concrete (partially suitable)
- Solid stone (partially suitable)
- Wood
Technical Data
Autres
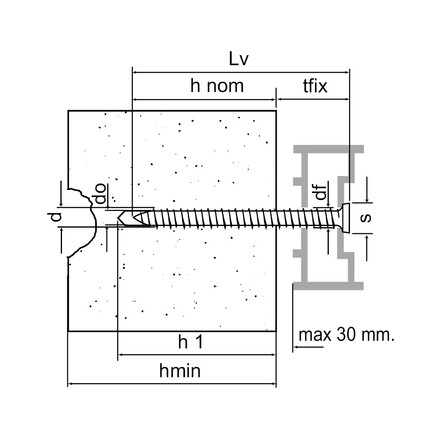
Product Dimension - Countersunk Head Screw
| References | Product Reference | Dimensions [dxLv] [mm] | Hole diameter [do] [mm] | Hole diameter in fixture [df] [mm] | Head diameter [s] [mm] | Nominal embedment depth [hnom] [mm] | Fixture thickness [tfix] (1) [mm] | Min. hole depth [h1>] [mm] | Min. support thickness [hmin] [mm] | Bit | Qty per box | Qty per outer box |
|---|---|---|---|---|---|---|---|---|---|---|---|---|
| 19419B0704000 | VF | Ø7,5x40 | 6 | 6.2 | 11.5 | 30 | 10 | 40 | 60 | T-30 | 100 | 1200 |
| 19419B0706000 | Ø7,5x60 | 6 | 6.2 | 11.5 | 30 | 30 | 40 | 60 | T-30 | 100 | 800 | |
| 19419B0707000 | Ø7,5x70 | 6 | 6.2 | 11.5 | 30 | 40 | 40 | 60 | T-30 | 100 | 800 | |
| 19419B0708000 | Ø7,5x80 | 6 | 6.2 | 11.5 | 30 | 50 | 40 | 60 | T-30 | 100 | 800 | |
| 19419B0709000 | Ø7,5x90 | 6 | 6.2 | 11.5 | 30 | 60 | 40 | 60 | T-30 | 100 | 800 | |
| 19419B0710000 | Ø7,5x100 | 6 | 6.2 | 11.5 | 30 | 70 | 40 | 60 | T-30 | 100 | 800 | |
| 19419B0712000 | Ø7,5x120 | 6 | 6.2 | 11.5 | 30 | 90 | 40 | 60 | T-30 | 100 | 600 | |
| 19419B0713500 | Ø7,5x135 | 6 | 6.2 | 11.5 | 30 | 105 | 40 | 60 | T-30 | 100 | 600 | |
| 19419B0715000 | Ø7,5x150 | 6 | 6.2 | 11.5 | 30 | 120 | 40 | 60 | T-30 | 100 | 600 | |
| 19419B0718000 | Ø7,5x180 | 6 | 6.2 | 11.5 | 30 | 150 | 40 | 60 | T-30 | 100 | 400 | |
| 19419B0721000 | Ø7,5x210* | 6 | 6.2 | 11.5 | 30 | 180 | 40 | 60 | T-30 | 50 | 200 | |
| 19419B0724000 | Ø7,5x240* | 6 | 6.2 | 11.5 | 30 | 210 | 40 | 60 | T-30 | 50 | - |
(1) Max fixing thickness refers to installation on concrete
* Size not covered by CE certification
Recommended loads / for single anchors 1)
| References | Product Reference | Dimensions [dxLv] [mm] | Recommended loads 1) for single anchor | ||||||||
|---|---|---|---|---|---|---|---|---|---|---|---|
| Concrete C20/25 2) |
Solid brick 2) fbk ≥ 20 N/mm2 |
Honeycomb brick (Bimattone) 2) fbk ≥ 10 N/mm2 |
Pine-wood 3) ρk = 450kg/m3 | Max torque 5) [Tmax] [Nm] | |||||||
| Nrec [kN] | Vrec [kN] | Nrec [kN] | Vrec [kN] | Nrec [kN] | Vrec [kN] | Nrec [kN] | Vrec [kN] | ||||
| 19419B0709000 | VF | Ø7,5x90 | 1.5 | 1.5 | 1.3 | 1.5 | 0.1 | 0.3 | 1.1 | - | 20 |
| 19419B0710000 | VF | Ø7,5x100 | 1.5 | 1.5 | 1.3 | 1.5 | 0.1 | 0.3 | 1.1 | - | 20 |
| 19419B0713500 | VF | Ø7,5x135 | 1.5 | 1.5 | 1.3 | 1.5 | 0.1 | 0.3 | 1.1 | - | 20 |
| 19419B0715000 | VF | Ø7,5x150 | 1.5 | 1.5 | 1.3 | 1.5 | 0.1 | 0.3 | 1.1 | - | 20 |
| 19419B0718000 | VF | Ø7,5x180 | 1.5 | 1.5 | 1.3 | 1.5 | 0.1 | 0.3 | 1.1 | - | 20 |
1)The allowable loads Nzul / Vzul were determined from the average values of the breaking loads, taking into account a safety factor γ = 4 (γ = 5 for vertically perforated bricks). Design and dimensioning
shall be carried out in accordance with the Friulsider design guide.
2) Anchoring base without plaster layer.
concrete: hnom = 30mm
solid masonry: hnom = 40mm
honycomb brick (Bimattone): hnom = 60mm
3) Pine wood average gross density ρk = 450 kg/m3 / moisture content approx. 12 % / fiber direction α > 30°.
Pine wood: hnom = 40mm
5) The installation torque must be adjusted according to the type of installation and the anchoring base.