FM-X5
Long Plug for Window and Door Frames
The FM-X5 frame plug in Ø8 and Ø10 mm versions in combination with a countersunk or hexagon head screw is approved for multiple fixings in concrete and masonry.
CE Marking
ETA
Service class 2
Electro-galvanized steel
Indoor
Feu R 90
Fix Calc
Product Details
Features
Material
- Plug: nylon
- Screw: white zinc plated steel
Benefits
- Multi-expansion variable geometry
- Low tightening torque
- Ultra flexible nylon
Application
Applications
- Framework
- Wall cabinets
- Light carpentry
Suitable for
- Non-cracked concrete
- Solid brick
- Honeycomb brick
- Cell like clay brick
- Lightweight honeycomb brick
- Hollow dense aggregate block
- Hollow light aggregate block
- Aerated concrete
- Solid stone
Technical Data
Autres
fm-x5-rev07.pdf
(237.59 KB)
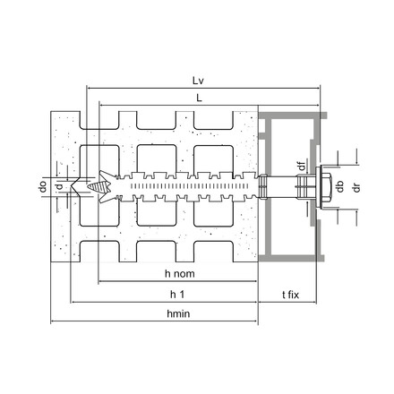
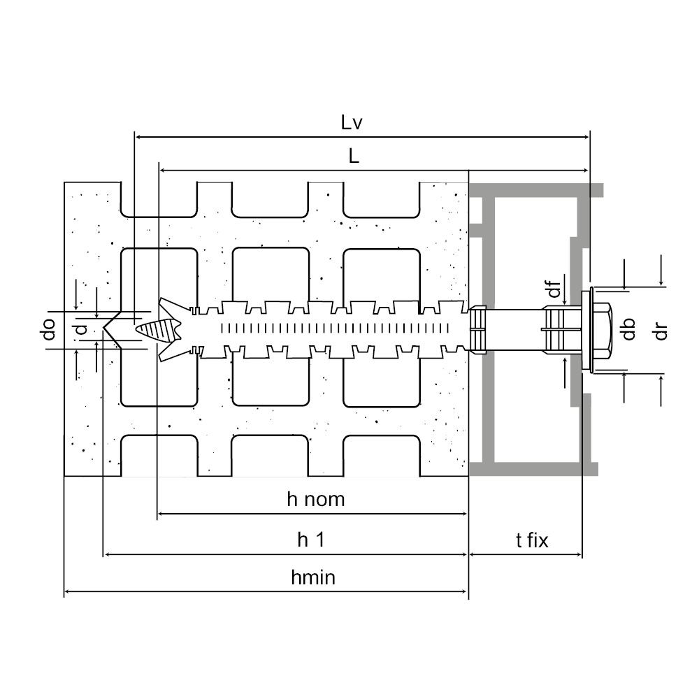
Product Dimension - Countersunk Screw
| References | Product Reference | Hole diameter x anchor length [doxL] [mm] | Max. fixture thickness [tfix] [mm] | Min. hole depth [h1] | Nominal embedment depth [hnom] [mm] | Min. support thickness* [hmin] [mm] | Hole diameter in fixture [df] [mm] | Screw diameter [d] [mm] | Screw length [Lv] [mm] | Bit | Qty per box | Qty per outer box |
|---|---|---|---|---|---|---|---|---|---|---|---|---|
| 64301B0808000 | FM-X5 | Ø8x80 | 10 | 80 | 70 | 120 | 8.5 | 6 | 85 | T30 | 100 | 1000 |
| 64301B0810000 | Ø8x100 | 30 | 80 | 70 | 120 | 8.5 | 6 | 105 | T30 | 50 | 500 | |
| 64301B0812000 | Ø8x120 | 50 | 80 | 70 | 120 | 8.5 | 6 | 125 | T30 | 50 | 500 | |
| 64301B0817000 | Ø8x170 | 100 | 80 | 70 | 120 | 8.5 | 6 | 175 | T30 | 50 | - | |
| 64301B1011500 | Ø10x115 | 45 | 80 | 70 | 120 | 10.5 | 7 | 120 | T40 | 50 | 500 | |
| 64301B1013500 | Ø10x135 | 65 | 80 | 70 | 120 | 10.5 | 7 | 140 | T40 | 50 | 200 | |
| 64301B1016000 | Ø10x160 | 90 | 80 | 70 | 120 | 10.5 | 7 | 165 | T40 | 50 | - |
* Including plaster
Design capacities - single anchor - no edge distances
| References | Design capacities - single anchor - no edge distances | ||||||||||||
|---|---|---|---|---|---|---|---|---|---|---|---|---|---|
| Product Reference | Hole diameter x anchor length [doxL] [mm] | Design capacity | |||||||||||
| Tension - NRd | Shear - VRd | Bending moment MRd [Nm] | |||||||||||
| Non-cracked concrete C12/15 [kN] | Non-cracked concrete C16/20 [kN] | Autoclaved aerated concrete AAC [kN] | Solid brick [kN] | Hollow brick Alveolater | Non-cracked concrete C12/15 [kN] | Non-cracked concrete C16/20 [kN] | Autoclaved aerated concrete AAC [kN] | Solid brick [kN] | Hollow brick Alveolater | ||||
| 64301B0808000 | FM-X5 | Ø8x80 | 0.8 | 1.4 | 0.3 | 1.4 | 0.6 | 0.8 | 1.4 | 0.3 | 1.4 | 0.6 | 7 |
| 64301B0810000 | FM-X5 | Ø8x100 | 0.8 | 1.4 | 0.3 | 1.4 | 0.6 | 0.8 | 1.4 | 0.3 | 1.4 | 0.6 | 7 |
| 64301B0812000 | FM-X5 | Ø8x120 | 0.8 | 1.4 | 0.3 | 1.4 | 0.6 | 0.8 | 1.4 | 0.3 | 1.4 | 0.6 | 7 |
| 64301B0817000 | FM-X5 | Ø8x170 | 0.8 | 1.4 | 0.3 | 1.4 | 0.6 | 0.8 | 1.4 | 0.3 | 1.4 | 0.6 | 7 |
| 64301B1011500 | FM-X5 | Ø10x115 | 1.4 | 1.9 | 0.3 | 1.4 | 0.6 | 1.4 | 1.9 | 0.3 | 1.4 | 0.6 | 13.47 |
| 64301B1013500 | FM-X5 | Ø10x135 | 1.4 | 1.9 | 0.3 | 1.4 | 0.6 | 1.4 | 1.9 | 0.3 | 1.4 | 0.6 | 13.47 |
| 64301B1016000 | FM-X5 | Ø10x160 | 1.4 | 1.9 | 0.3 | 1.4 | 0.6 | 1.4 | 1.9 | 0.3 | 1.4 | 0.6 | 13.47 |
Installation
Installation
Spacings and edge distances
| References | Product Reference | Hole diameter x anchor length [doxL] [mm] | Spacings and edge distances | |||||||||||||
|---|---|---|---|---|---|---|---|---|---|---|---|---|---|---|---|---|
| Non-cracked concrete C12/15 | Non-cracked concrete C16/20 | Autoclaved aerated concrete AAC | Solid brick | |||||||||||||
| Min. edge distance [cmin] [mm] | Min. spacing [smin] [mm] | Characteristic edge distance [ccr,N] [mm] | Minimun thickness of support [hmin] [mm] | Min. edge distance [cmin] [mm] | Min. spacing [smin] [mm] | Characteristic edge distance [ccr,N] [mm] | Minimun thickness of support [hmin] [mm] | Min. edge distance [cmin] [mm] | Min. spacing [smin] [mm] | Minimun thickness of support [hmin] [mm] | Min. edge distance [cmin] [mm] | Min. spacing [smin] [mm] | Minimun thickness of support [hmin] [mm] | |||
| 64301B0808000 | FM-X5 | Ø8x80 | 80 | 80 | 140 | 100 | 60 | 60 | 100 | 100 | 100 | 250 | 200 | 100 | 250 | 110 |
| 64301B0810000 | FM-X5 | Ø8x100 | 80 | 80 | 140 | 100 | 60 | 60 | 100 | 100 | 100 | 250 | 200 | 100 | 250 | 110 |
| 64301B0812000 | FM-X5 | Ø8x120 | 80 | 80 | 140 | 100 | 60 | 60 | 100 | 100 | 100 | 250 | 200 | 100 | 250 | 110 |
| 64301B0817000 | FM-X5 | Ø8x170 | 80 | 80 | 140 | 100 | 60 | 60 | 100 | 100 | 100 | 250 | 200 | 100 | 250 | 110 |
| 64301B1011500 | FM-X5 | Ø10x115 | 80 | 80 | 140 | 100 | 60 | 60 | 100 | 100 | 100 | 250 | 200 | 100 | 250 | 110 |
| 64301B1013500 | FM-X5 | Ø10x135 | 80 | 80 | 140 | 100 | 60 | 60 | 100 | 100 | 100 | 250 | 200 | 100 | 250 | 110 |
| 64301B1016000 | FM-X5 | Ø10x160 | 80 | 80 | 140 | 100 | 60 | 60 | 100 | 100 | 100 | 250 | 200 | 100 | 250 | 110 |
Installation data
| References | Product Reference | Hole diameter x anchor length [doxL] [mm] | Installation data | |||
|---|---|---|---|---|---|---|
| Ø drilling hole [d0] [mm] | Min. drill depth [h1] [mm] | Ø drilling fixture [df] [mm] | Wrench size [SW] [mm] | |||
| 64301B0808000 | FM-X5 | Ø8x80 | 8 | 80 | 8.5 | - |
| 64301B0810000 | FM-X5 | Ø8x100 | 8 | 80 | 8.5 | - |
| 64301B0812000 | FM-X5 | Ø8x120 | 8 | 80 | 8.5 | - |
| 64301B0817000 | FM-X5 | Ø8x170 | 8 | 80 | 8.5 | - |
| 64301B1011500 | FM-X5 | Ø10x115 | 10 | 80 | 10.5 | - |
| 64301B1013500 | FM-X5 | Ø10x135 | 10 | 80 | 10.5 | - |
| 64301B1016000 | FM-X5 | Ø10x160 | 10 | 80 | 10.5 | - |
Certification
Declaration of Performance (DoP)
uk-fm-x5-07-f.pdf
(217.81 KB)
European Technical Assessment (ETA)
fm-x5-eta-10-0425-en-2024-03-13.pdf
(987.52 KB)