TSA-PATTEN
Metal Sleeve Anchor
TSA-PATTEN is a sleeve anchor which allows for quick and easy installation in solid materials due to the low installation torque needed to install it.
Service class 2
Electro-galvanized steel
Indoor
Product Details
Features
Material
- Steel
- White zinc plated
Benefits
- Uniform expansion ensured by the three expanding segments made out of a single pressed steel body
- Special shaped slots on the three expanding segments pull down gaps between the fixture and base material
Application
Applications
- Brackets
- Garage doors
- Signs
Suitable for
- Non-cracked concrete
- Solid brick (partially suitable)
- Solid stone
Technical Data
Autres
tsa-patten-rev06.pdf
(362.27 KB)
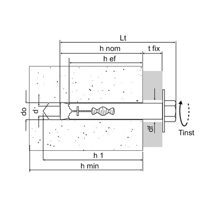
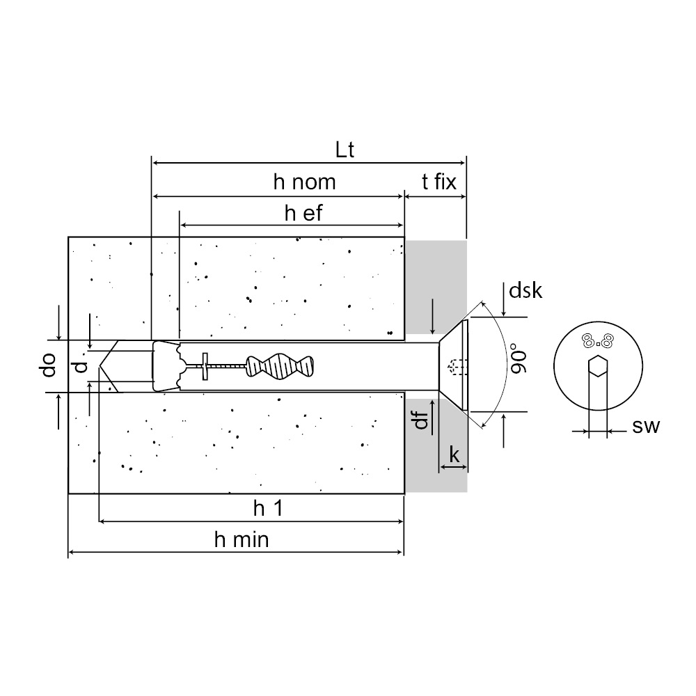
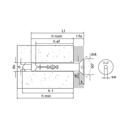
Product Dimensions - Hex head screw grade 8.8
| References | Product Reference | Hole diameter / fixture thickness [do/tfix] [mm] | Plug [Ø x L] | Fixing thickness [max] | Screw diameter [d] [mm] | Min. hole depth [h1] [mm] | Nominal embedment depth [hnom] [mm] | Min. setting depth [hef] [mm] | Hole diameter in fixture [df] [mm] | Min. support thickness [hmin] [mm] | Torque [Tinst] [Nm] | Wrench [SW] | Total lenght [Lt] [mm] | Qty per box | Qty per outer box |
|---|---|---|---|---|---|---|---|---|---|---|---|---|---|---|---|
| 79602B0804500 | TSA-PATTEN | 8/08 | 8x45 | 8 | M6 | 50 | 36 | 23 | 10 | 100 | 7 | 10 | 49 | 100 | 1000 |
| 79602B0806000 | 8/23 | 8x60 | 23 | M6 | 50 | 36 | 23 | 10 | 100 | 7 | 10 | 64 | 100 | 800 | |
| 79602B0808000 | 8/43 | 8x80 | 43 | M6 | 50 | 36 | 23 | 10 | 100 | 7 | 10 | 84 | 50 | 500 | |
| 79602B0810000 | 8/63 | 8x100 | 63 | M6 | 50 | 36 | 23 | 10 | 100 | 7 | 10 | 104 | 50 | 400 | |
| 79602B0812000 | 8/83 | 8x120 | 83 | M6 | 50 | 36 | 23 | 10 | 100 | 7 | 10 | 124 | 25 | 300 | |
| 79602B0814000 | 8/103 | 8x140 | 103 | M6 | 50 | 36 | 23 | 10 | 100 | 7 | 10 | 144 | 25 | 300 | |
| 79602B0816000 | 8/123 | 8x160 | 123 | M6 | 50 | 36 | 23 | 10 | 100 | 7 | 10 | 164 | 20 | 240 | |
| 79602B1006000 | 10/15 | 10x60 | 15 | M8 | 60 | 43 | 31 | 12 | 100 | 15 | 13 | 65 | 50 | 400 | |
| 79602B1008000 | 10/35 | 10x80 | 35 | M8 | 60 | 43 | 31 | 12 | 100 | 15 | 13 | 85 | 50 | 300 | |
| 79602B1010000 | 10/55 | 10x100 | 55 | M8 | 60 | 43 | 31 | 12 | 100 | 15 | 13 | 105 | 25 | 250 | |
| 79602B1012000 | 10/75 | 10x120 | 75 | M8 | 60 | 43 | 31 | 12 | 100 | 15 | 13 | 125 | 20 | 200 | |
| 79602B1014000 | 10/95 | 10x140 | 95 | M8 | 60 | 43 | 31 | 12 | 100 | 15 | 13 | 145 | 20 | 240 | |
| 79602B1016000 | 10/115 | 10x160 | 115 | M8 | 60 | 43 | 31 | 12 | 100 | 15 | 13 | 165 | 20 | 240 | |
| 79602B1207000 | 12/17 | 12x70 | 17 | M10 | 65 | 50 | 36 | 14 | 100 | 30 | 17 | 76 | 50 | 200 | |
| 79602B1210000 | 12/47 | 12x100 | 47 | M10 | 65 | 50 | 36 | 14 | 100 | 30 | 17 | 106 | 25 | 200 | |
| 79602B1213000 | 12/77 | 12x130 | 77 | M10 | 65 | 50 | 36 | 14 | 100 | 30 | 17 | 136 | 20 | 120 | |
| 79602B1215000 | 12/97 | 12x150 | 97 | M10 | 65 | 50 | 36 | 14 | 100 | 30 | 17 | 156 | 10 | 120 | |
| 79602B1607000 | 16/03 | 16x70 | 3 | M12 | 80 | 67 | 45 | 18 | 100 | 50 | 19 | 78 | 10 | 100 | |
| 79602B1611000 | 16/40 | 16x110 | 40 | M12 | 80 | 67 | 45 | 18 | 100 | 50 | 19 | 118 | 10 | 100 | |
| 79602B1615000 | 16/80 | 16x150 | 80 | M12 | 80 | 67 | 45 | 18 | 100 | 50 | 19 | 158 | 5 | 60 |
Recommended capacities - single anchor
| References | Product Reference | Recommended capacity | Installation data | ||
|---|---|---|---|---|---|
| Tension - Nrec [kN] | Shear - Vrec [kN] | Characteristic edge distance [ccr,N] [mm] | Characteristic spacing(5) - Scr,N [scr,N] [mm] | ||
| Concrete C20/25 | Concrete C20/25 | ||||
| 79602B0804500 | TSA-PATTEN | 1.2 | 1.2 | 75 | 100 |
| 79602B0806000 | TSA-PATTEN | 1.2 | 1.2 | 75 | 100 |
| 79602B0808000 | TSA-PATTEN | 1.2 | 1.2 | 75 | 100 |
| 79602B0810000 | TSA-PATTEN | 1.2 | 1.2 | 75 | 100 |
| 79602B0812000 | TSA-PATTEN | 1.2 | 1.2 | 75 | 100 |
| 79602B0814000 | TSA-PATTEN | 1.2 | 1.2 | 75 | 100 |
| 79602B0816000 | TSA-PATTEN | 1.2 | 1.2 | 75 | 100 |
| 79602B1006000 | TSA-PATTEN | 1.6 | 1.6 | 85 | 120 |
| 79602B1008000 | TSA-PATTEN | 1.6 | 1.6 | 85 | 120 |
| 79602B1010000 | TSA-PATTEN | 1.6 | 1.6 | 85 | 120 |
| 79602B1012000 | TSA-PATTEN | 1.6 | 1.6 | 85 | 120 |
| 79602B1014000 | TSA-PATTEN | 1.6 | 1.6 | 85 | 120 |
| 79602B1016000 | TSA-PATTEN | 1.6 | 1.6 | 85 | 120 |
| 79602B1207000 | TSA-PATTEN | 2.2 | 2.2 | 110 | 155 |
| 79602B1210000 | TSA-PATTEN | 2.2 | 2.2 | 110 | 155 |
| 79602B1213000 | TSA-PATTEN | 2.2 | 2.2 | 110 | 155 |
| 79602B1215000 | TSA-PATTEN | 2.2 | 2.2 | 110 | 155 |
| 79602B1607000 | TSA-PATTEN | 3.8 | 3.8 | 115 | 160 |
| 79602B1611000 | TSA-PATTEN | 3.8 | 3.8 | 115 | 160 |
| 79602B1615000 | TSA-PATTEN | 3.8 | 3.8 | 115 | 160 |
*These values are for guidance only