TRZ

Self-drilling Zamak Plug for Plasterboard

The TRZ zamak plug is designed for fastening in plasterboard and fibreboard. The dowel is screwed into single and double planked board elements with a positive fit and flush with the surface. The fastening elements to be connected can be mounted with wood, -/ sheet metal / chipboard - screws from Ø3.0 mm to Ø4.5 mm.  

Yellow electro-galvanised steel

Product Details

Images

Features

Material

  • Plug: zamak
  • Screw: white zinc plated steel

Benefits

  • No pilot hole required
  • The fixing is set with a screwdriver

Application

Applications

  • Wooden battens
  • Curtain track
  • Metal profiles

Suitable for

  • Aerated concrete
  • Plasterboard
  • Panels and sheets (partially suitable)

Technical Data

Dimensions

Autres

trz-rev02.pdf (250.38 KB)

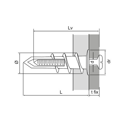
Product Dimensions

References Product Reference Plug diameter x length [ØxL] [mm] Fixture thickness [tfix] [mm] Nominal embedment depth* [hnom] [mm] Min. support thickness* [hmin] [mm] Screw diameter [d] [mm] Screw lenght [Lv] [mm] Washer diameter [dr] [mm] Recess Qty per box Qty per outer box Weight [kg]
7500601303000TRZ13x3010306043514PZ210020000.007

Values refer to installation on compact base materials such as aerated concrete.

Recommended capacities

References Product Reference Plug diameter x length [ØxL] [mm] Recommended capacity Installation data
Tension - Nrec [kN] Shear - Vrec [kN] Characteristic edge distance [ccr,N] [mm] Characteristic spacing(5) - Scr,N [scr,N] [mm]
Aerated concrete G4  Plasterboard 12,5 mm Aerated concrete G4  Plasterboard 12,5 mm
7500601303000TRZ13x300.10.050.20.15050

*These values are for guidance only 

Installation

Installation

ZIP Packages

Buy from Distributor

No items available.

Contact

Simpson Strong-Tie U.K.

Simpson Strong-Tie

Cardinal Point, Winchester Road
Tamworth
Staffordshire
B78 3HG
United Kingdom