Heavy Duty Wedge Anchor
Heavy-duty wedge anchor for the medium load range, in sizes M8 - M20 for anchoring in non-cracked concrete C20/25 - C50/60. With coating 3DG
Product Details
Features
Material
- Steel
- Special anti-corrosion coating 3DG with matte finish
Benefits
- Wide range
- Easy installation
- Versatile
- Cold forged anchor body
- Increased thickness of three expander segments
- Six teeth and anti-slip ridge to prevent slip during tightening
Application
Applications
- Railings
- Metal and wood carpentry
- Facades
Suitable for
- Non-cracked concrete
- Solid stone
Technical Data
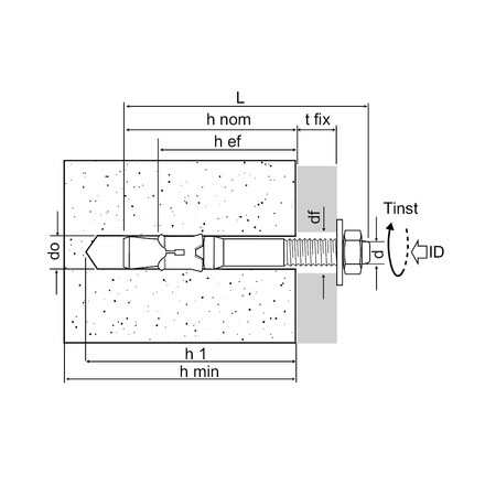
Product dimensions
| References | Product Reference | NOBB nr. [NOBB nr.] | Dimensions [ØxL] [mm] | Thread length | Fixture thickness [tfix,max] with standard setting depth [hef,STD] [mm] | Fixture thickness [tfix,max] with reduced setting depth [hef,RED] [mm] | Hole diameter in fixture [df] [mm] | Hole diameter [do] x depth [h1] in substrate [mm] | Min. support thickness [hmin] [mm] | Min. setting depth [hef] [mm] | Installation torque [Tinst] [Nm] | Qty per box | Qty per outer box | Weight [kg] |
|---|---|---|---|---|---|---|---|---|---|---|---|---|---|---|
| 75320C1007500 | FM-753 3DG | 60743072 | M10x75 | 43 | 5 | (20) | 12 | 10x70 | 100 | 50 | 25 | 50 | 500 | 0.052 |
| 75320C1210000 | - | M12x100 | 58 | 10 | (25) | 14 | 12x85 | 120 | 60 | 50 | 50 | 200 | 0.095 | |
| 75320C1614500 | 60743076 | M16x145 | 88 | 30 | (50) | 18 | 16x115 | 170 | 85 | 100 | 20 | 80 | 0.24 |
*Short series with reduced embedment depth
Design capacities - single anchor - no edge distances
| References | Dimensions [ØxL] [mm] | Product Reference | Design capacities - single anchor - no edge distances | ||||||||
|---|---|---|---|---|---|---|---|---|---|---|---|
| Design capacity - Non-cracked concrete (3) | |||||||||||
| Tension - NRd (1) | Shear - VRd (1-2) | Bending moment MRd [Nm] | |||||||||
| C20/25 [kN] | C30/37 [kN] | C40/50 [kN] | C50/60 [kN] | C20/25 [kN] | C30/37 [kN] | C40/50 [kN] | C50/60 [kN] | ||||
| 75320C1007500 | M10x75 | FM-753 3DG | 8 | - | - | - | 9.3 | - | - | - | - |
| 75320C1210000 | M12x100 | FM-753 3DG | 15.2 | - | - | - | 13.4 | - | - | - | - |
| 75320C1614500 | M16x145 | FM-753 3DG | 23.3 | - | - | - | 28.4 | - | - | - | - |
1. The design loads loads have been calculated using the partial safety factors for resistances stated in ETA-approval(s). The loading figures are valid for unreinforced concrete and reinforced concrete with a rebar spacing s ≥ 15 cm (any diameter) or with a rebar spacing s ≥ 10 cm, if the rebar diameter is 10mm or smaller.
2. The figures for shear are based on a single anchor without influence of concrete edges. For anchorages close to edges (c ≤ max [10 hef; 60d]) the concrete edge failure shall be checked per ETAG 001, Annex C, design method A.
3. Concrete is considered non-cracked when the tensile stress within the concrete is\sigmaL +\sigmaR ≤ 0. In the absence of detailed verification\sigmaR = 3 N/mm² can be assumed (\sigmaL equals the tensile stress within the concrete induced by external loads, anchors loads included).
*Short series with reduced embedment depth
Recommended capacities - single anchor - no edge distances
| References | Product Reference | Dimensions [ØxL] [mm] | Recommended loads - Non-cracked concrete | ||||||||
|---|---|---|---|---|---|---|---|---|---|---|---|
| Tension - Nzul | Shear - Vzul | Bending moment Mzul [Nm] | |||||||||
| C20/25 [kN] | C30/37 [kN] | C40/50 [kN] | C50/60 [kN] | C20/25 [kN] | C30/37 [kN] | C40/50 [kN] | C50/60 [kN] | ||||
| 75320C1007500 | FM-753 3DG | M10x75 | 5.7 | 6.3 | 6.8 | 7.4 | 6.6 | 6.6 | 6.6 | 6.6 | 23.3 |
| 75320C1210000 | FM-753 3DG | M12x100 | 11.2 | 12.3 | 13.4 | 14.6 | 9.6 | 9.6 | 9.6 | 9.6 | 34.3 |
| 75320C1614500 | FM-753 3DG | M16x145 | 16.7 | 18.4 | 20 | 21.7 | 20.3 | 20.3 | 20.3 | 20.3 | 91.9 |
1) In case of interaction of tension and shear loads (lever arm) as well as in case of anchor groups and/or edge influence, a design according to ETAG 001, Annex C, Design Method A (Aug. 2010) or
CEN/TS 1992-4-4 shall be carried out taking into account the entire European Technical Assessment ETA-13/0367.
2) The load data take into account the partial safety factors of the resistances given in the European Technical Assessment ETA-13/0367 and a partial safety factor of the
The values given assume unreinforced or normally reinforced concrete with a spacing of the reinforcing bars s ≥ 15 cm or s ≥ 10 cm with a diameter of the reinforcing bars ds ≥ 15 cm.
rebar diameter ds ≤ 10 mm.
Installation
Installation
Spacing, and Edge Distances
| References | Spacing and edge distances | |||||
|---|---|---|---|---|---|---|
| Product Reference | Dimensions [ØxL] [mm] | Min. edge distance [cmin] [mm] | Min. spacing [smin] [mm] | Characteristic spacing(5) - Scr,N [scr,N] [mm] | Characteristic edge distance [ccr,N] [mm] | |
| 75320C1007500 | FM-753 3DG | M10x75 | 55 | 55 | 150 | 75 |
| 75320C1210000 | FM-753 3DG | M12x100 | 90 | 90 | 180 | 90 |
| 75320C1614500 | FM-753 3DG | M16x145 | 130 | 130 | 255 | 130 |
* Not included in the approval
Installation data
| References | Installation data | ||||||||
|---|---|---|---|---|---|---|---|---|---|
| Product Reference | Dimensions [ØxL] [mm] | Ø drilling hole [d0] [mm] | Min. drill depth [h1] [mm] | Ø drilling fixture [df] [mm] | Wrench size [SW] [mm] | Installation torque [Tinst] [Nm] | Embedment depth [hef] [mm] | Min. support thickness [hmin] [mm] | |
| 75320C1007500 | FM-753 3DG | M10x75 | 10 | 70 | 12 | 17 | 25 | 50 | 100 |
| 75320C1210000 | FM-753 3DG | M12x100 | 12 | 85 | 14 | 19 | 50 | 60 | 120 |
| 75320C1614500 | FM-753 3DG | M16x145 | 16 | 115 | 18 | 24 | 100 | 85 | 170 |